औद्योगिक कॅबिनेट दरवाजा लॉकवितरण कॅबिनेट, कम्युनिकेशन कॅबिनेट, कंट्रोल बॉक्स आणि इतर उपकरणांचे मुख्य संरक्षणात्मक घटक आहे, जे अंतर्गत विद्युत घटकांच्या सुरक्षिततेशी आणि सिस्टमच्या स्थिर ऑपरेशनशी थेट संबंधित आहे.
डिलिव्हरी वेळ आणि विविध प्रकल्पांच्या वैशिष्ट्यांच्या वैविध्यपूर्ण आवश्यकतांची पूर्तता करण्यासाठी, आमच्या कंपनीकडे नेहमी वापरल्या जाणाऱ्या पाच प्रकारचे लॉक स्टॉकमध्ये असतात --लांब बार लॉक, पॅनेल लॉक, रॉड कंट्रोल लॉक, हँडल लॉक,रोटरी जीभ लॉक. त्याच वेळी, आम्ही रेखाचित्रे किंवा नमुन्यांनुसार सानुकूलित कोणत्याही नॉन-स्टँडर्ड लॉकचे समर्थन करतो, जे सर्व प्रकारच्या मेटल वितरण बॉक्ससाठी पूर्णपणे योग्य आहे.
प्लेन लॉक हे औद्योगिक कॅबिनेट दरवाजाच्या कुलूपांपैकी एक सर्वात सामान्य प्रकार आहे, दोन्ही सुंदर आणि देखरेखीसाठी सोपे आहे. आमच्या कंपनीने AB301, AB302, AB303, AB402, AB403 मालिका प्लेन लॉक लाँच केले, संरचनात्मक सामर्थ्य, संरक्षण कार्यप्रदर्शन आणि विभेदित डिझाइनच्या ऑपरेटिंग फीलमध्ये, वितरण बॉक्सची भिन्न वैशिष्ट्ये, नियंत्रण कॅबिनेट स्थापना आवश्यकता पूर्ण करू शकतात.
| परिमाण | उत्पादन क्रमांक | |||||||
| L1 | L2 | L3 | B1 | B2 | राखाडी क्रोम प्लेटिंग | राखाडी स्प्रे पेंट | काळा पावडर लेपित | वजन(ग्रॅम) |
| 147 | 117 | 72 | 33 | 26.5 | AB301-1-1.2 | AB301-1-1.8 | AB301 | 370 |
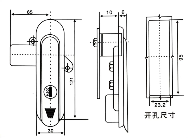
| 120.5 | 95.5 | 65 | 30 | 23.5 | AB301-2-1.2 | AB301-2-1.8 | AB302 | 290 |
| 87.5 | 62.5 | 65 | 28.5 | 23.5 | AB301-3-1.2 | AB301-3-1.8 | AB303 | 215 |
मुख्य सामग्री: जस्त मिश्र धातु.
पृष्ठभाग उपचार: चमकदार क्रोम, मॅट, काळा.
कार्य आणि वापर: सीलिंग आणि वॉटरप्रूफ फंक्शनसह, वापरण्यास सोपा, डावा आणि उजवा दरवाजा उघडा.
मुख्य सामग्री: जस्त मिश्र धातु.
पृष्ठभाग उपचार: चमकदार क्रोम, मॅट, काळा.
कार्य आणि वापर: सीलिंग आणि वॉटरप्रूफ फंक्शनसह, वापरण्यास सोपा, डावा आणि उजवा दरवाजा उघडा.
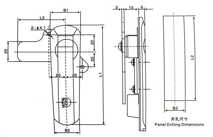
साहित्य: झिंक अलॉय लॉक बॉडी, फिरणारा शाफ्ट, गॅल्वनाइज्ड स्टील बोल्ट, प्रेशर प्लेट.
पृष्ठभाग उपचार: सिल्व्हर ग्रे नॅनो स्प्रे.
संरचनेचे वर्णन: उघडण्यासाठी किंवा लॉक करण्यासाठी 90 अंश फिरवा.
| मॉडेल | L1 | L2 | L3 | B1 | B2 | B3 |
| नवीन AB402-A | 123 | 95.5 | 65 | 36.5 | 30 | 23.5 |
| नवीन AB403-A | 91 | 62.5 | 65 | 33 | 28.5 | 23.5 |
| नवीन AB401-A | 151 | 117 | 72 | 36 | 30 | 26.5 |
